CONTACT US

联系我们

南通江汉石化设备有限公司

地址:江苏启东城东工业园区8号

联系人:陈经理

服务热线:13186507905

产品展示

当前位置: 首页 > 产品展示
  • 详细资料

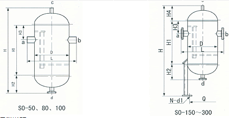
产品特性

型蒸汽分水器是用在工艺管道上用来分离蒸汽中水滴的特种管道附件。凡需要除掉蒸汽中水滴的地方,在其人口前的管道上,应设置蒸汽分水

器。如:进装置的蒸汽主管上、石油化工装置内的饱和蒸汽在并入相应管网前,蒸汽进入汽轮机之前,应设置蒸汽分水器。

我公司生产的蒸汽分水器参照《石油化工装置工艺管道安装设计手册》第二篇管道器材上的要求定型制造,设计压力为1.3MPa,设计温度

为300℃,其分离面积已按蒸汽接管尺寸予以考虑,使用时可直接根据蒸汽管径选用。

20220204233549_77568.png20220204233628_85103.png


扫描二维码 关注官方微信

2022-   南通江汉石化设备有限公司  南通江汉石化设备有限公司 All Rights Reserved. 苏ICP备2021025716号-732068102810193号 网站地图